




Geo-Form
Stool
Timeline
Oct 2025 - Dec 2025
Role
Industrial Design
Work
School Project
Tools
Solidworks
Wood Machines
The Geo Form stool explores the concept of geometric form through straight lines and precise 90-degree cuts under strict constraints. Crafted from a single piece of rough poplar lumber(8' X 60' X 1'), the project investigates how an aesthetically balanced and functional form can emerge purely from geometric limitations. By working within restrictions( 4 boards, joints, tools, etc.) the design reveals how structure, usability, and visual clarity can coexist in a minimal, rule-driven form.
Exploration
The Geo-Form was developed through intentional investigation using small-scale physical prototyping, guided by specific ratios and dimensions, as the project required a sense of “certainty.” I began with small prototypes and drawing to narrow down precise forms, then returned to prototyping to refine proportions and explore the given dimensional constraints.


Project Brief and Exploration
I started the process by building multiple small foam-board prototypes, scaled to one-quarter of the dimensions of the final wooden material.










After iterating through multiple small-scale models and drawings, I developed a clearer understanding of the project’s constraints and limitations. This insight allowed me to move toward more intentional sketches and precise models that closely resembled the final form. Even at a reduced scale, I considered the making process alongside functionality, usability, and safety to ensure the design could successfully translate into a full-scale object.





More precise sketches refining the concept and form
After finalizing a sketch that clearly defined the form, I created a foam-board prototype to test the exact proportions and understand the making process, including screw placement.










Prototyping
Using 1/4-scale foam board models and dimensional sketches, I transitioned into SolidWorks to define accurate proportions, refine geometry, and produce technical drawings. These drawings guided the fabrication process, helping plan precise dimensions and shapes while coordinating the use of different woodworking machines during the construction of the stool.




















Creating a full-scale cardboard model helped me understand how the form would translate at actual size, while also allowing me to consider joint details and briefly practice the wood-making process.



































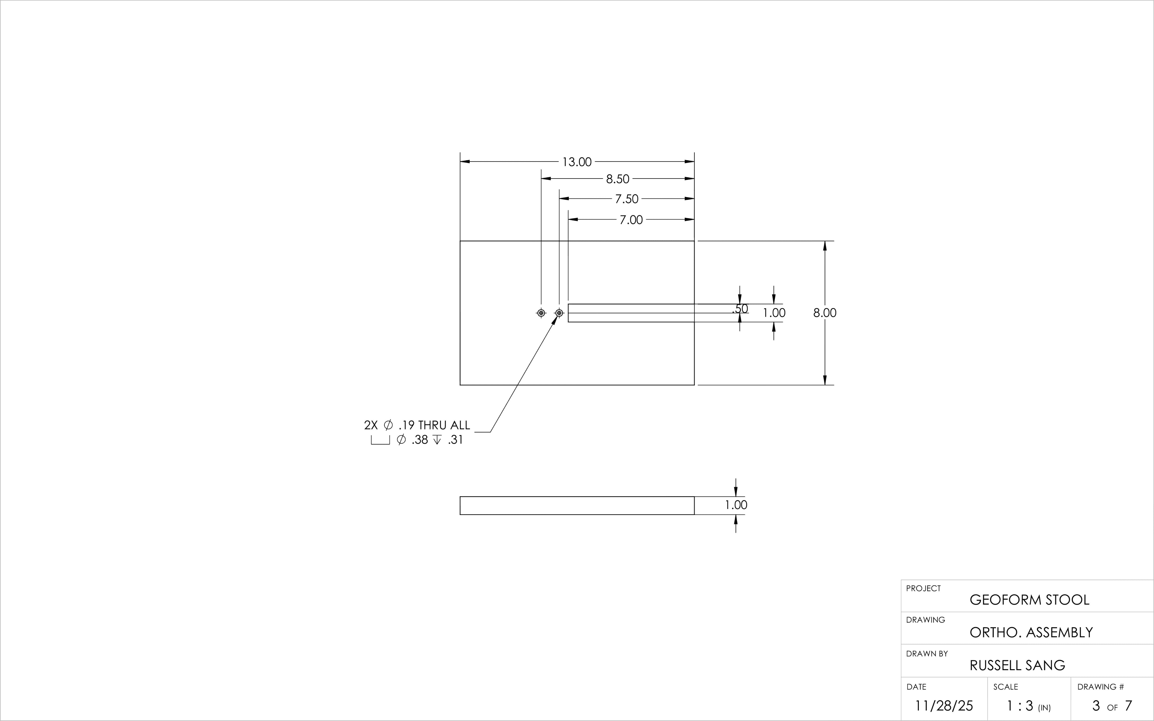
The technical drawings I designed planned out precise dimensions and ratios, allowing me to anticipate the fabrication process while visualizing the overall form in advance.
Process
Using the technical drawings and models as guides, I fabricated the final Geo-Form from a single piece of wood, employing various woodworking machines including the chop saw, table saw, planer, jointer, drill press, router, and more.















Shop drawings and sketches that precisely outline the required tools, their sequence of use, and safe fabrication methods.

























From the single piece of lumber, I used a chop saw to cut the material into four precise components.















Next, I marked one reference face on each piece and flattened it using a jointer, repeating the same process for one reference edge. After this step, I allowed the wood to rest for a week to relieve internal stress before proceeding to the planer.















After a week of resting, I used the planer to flatten the surfaces and bring the material closer to final thickness, then marked and cut each piece to its exact dimensions according to the technical drawings.
I used the table saw to achieve the final exterior dimensions, and for smaller, detailed elements, I attached guide blocks to ensure precise and controlled bandsaw cuts.

























Using the bandsaw, I removed material that could not be cut with the table saw. I then used a router with a guide stick to achieve straight, precise edges, aligning with the project’s geometric intent.















I used chisels to refine areas the router could not reach, ensuring that all corners remained sharp and precisely at 90 degrees. Using a drill press, I then created accurately aligned holes for screws, along with corresponding plug holes to conceal the fasteners and maintain a clean geometric finish.















Using a hand screwdriver, I assembled the boards with screws, then inserted wooden plugs to conceal the fasteners and trimmed the excess with a hand saw for a clean finish.
Final Product
The Geo-Form is intended as an exploratory project for students to engage with geometric aesthetics and functionality under strict constraints, while gaining hands-on experience with different woodworking machines and joint types. The four-board stool is designed for easy mobility, featuring an integrated handle that also functions as a backrest, and is intended to blend seamlessly and naturally with its surrounding environment.




















Usage of the stool










Dato and Rabbet Joint

























Reflection
Through this project, I developed a deeper understanding of woodworking machines, material behavior, and designing with certainty. The process reinforced that product design cannot rely on estimation or “eyeballing,” but instead requires precision to ensure proper function. I also gained hands-on experience with various joint types, including rabbet, dado, and butt joints. Working within strict constraints, such as restricting curved or diagonal cuts and limiting tool usage, pushed me to think more creatively and arrive at a more intentional geometric form.
and
Designing
© 2026
© 2026
For better experience
please visit through larger screens